Roboty Kawasaki Robotics serii RS to linia robotów przemysłowych o małych i średnich udźwigach. Dzięki zastosowaniu najnowszych materiałów i bardzo dobrze dopracowanej konstrukcji, są one lekkie i szybkie, a 17-bitowe enkodery zapewniają jeszcze większą dokładność. Są to roboty przemysłowe o wysokiej prędkości działania. Charakteryzują się dużą dynamiką ruchu, udźwigiem od 3 do 80 kg, zasięgiem od 620 do 2100 mm.
Kawasaki Robotics RS to linia robotów przemysłowych o małych i średnich udźwigach. Dzięki zastosowaniu najnowszych materiałów i bardzo dobrze dopracowanej konstrukcji, są one lekkie i szybkie, a 17-bitowe enkodery zapewniają jeszcze większą dokładność.
Są to roboty przemysłowe o wysokiej prędkości działania. Charakteryzują się dużą dynamiką ruchu, udźwigiem od 3 do 80kg, zasięgiem od 620 do 2100 mm.
Lekkie ramię wraz z wysokoobrotowymi silnikami o dużej mocy zapewniają wiodące w branży przyspieszenie i wysoką prędkość pracy, a smukła konstrukcja nie zajmuje dużej przestrzeni podłoża.
Seria Kawasaki Robotics RS posiada wbudowane przewody pneumatyczne i wewnętrzne okablowanie dla czujników oraz zaworów elektromagnetycznych. Ponadto, możliwy jest montaż dodatkowego okablowania, rurek lub wyposażenia, gdzie dostarczane są podkładki montażowe i krany.
Roboty Kawasaki Robotics serii R mogą być programowane na dwa sposoby, za pomocą komputera oraz przy użyciu jednej z dwóch metod programowania Kawasaki - Block Step lub AS Language.
Kontroler Kawasaki Robotics F60 dostarczany jest w dwóch wariantach IP20 i IP54, które charakteryzują się kompaktową obudową i niską wagą. Obsługuje roboty Kawasaki Robotics serii RS, RA, BA, MC, MS.
Kontroler E0x Kawasaki Robotics charakteryzują się niską wagą i posiada umiejętność ograniczania strat energii elektrycznej. Model E01, E02 i E04 dedykowane są dla serii robotów BA, BX, BT, CX, MX, RA, RS, ZX, natomiast E03 są obsługiwane przez roboty paletyzujące CP i RD.
K-Roset to symulator zrobotyzowanych stanowisk pracy z robotami Kawasaki Robotics. W prosty i przejrzysty sposób pozwala na stworzenie symulacji, wykorzystując roboty z oferty Kawasaki Robotics.
Program umożliwiający zaawansowaną pracę z robotami kawasaki. Pozwala na realizację komunikacji terminalowej, kompleksowe tworzenie oraz modyfikowanie aplikacji. Posiada wbudowany edytor tekstowy, dzięki któremu można w wygodny sposób tworzyć programy.
CS-Configurator to program umożliwiający konfigurację funkcji bezpieczeństwa dostępnych w module Cubic-s dla robotów Kawasaki Robotics. Moduł ten odpowiada za monitorowanie ruchu robota Kawasaki Robotics – a w sytuacji, w której zostanie zarejestrowany ruch niedozwolony, robot Kawasaki Robotics zostaje zatrzymany awaryjnie.
Obsługa maszyny to zadanie, które w dużej mierze decyduje o wydajności produkcji całego zakładu. Dlatego szczególnie ważna jest tu prędkość robotów przemysłowych. Precyzja i powtarzalność robotów Kawasaki Robotics pozwala dodatkowo ograniczyć ilość braków i lepiej monitorować proces.
Czytaj więcej.Pakowanie i paletyzacja (bądź depaletyzacja) to zadania mocno obciążające pracowników, które często stają się wąskim gardłem w zakładach produkcyjnych. Zastosowanie robotów przemysłowych Kawasaki Robotics pozwala uzyskać stałą wydajność linii pakującej/paletyzującej oraz jakość paletyzacji, a co za tym idzie - terminowość dostaw i bezpieczeństwo produktów w transporcie.
Czytaj więcej.Spawanie zawsze było jednym z głównych zastosowań robotów przemysłowych. Zastosowanie robota pozwala zachować stałą jakość produkcji przy jednoczesnym ograniczeniu zużycia materiałów. Sprawia to, że inwestycje w zrobotyzowane spawanie zwracają się szybko.
Czytaj więcej.Proces Pick & Place dotyczy głownie zadań przekładania lub pakowania produktów, które z przyczyn technologicznych należy pobierać pojedynczo. Produkty mają niewielką masę (do 2 kg) i są przenoszone na krótkich dystansach (do 50 cm) z bardzo dużą wydajnością.
Czytaj więcej.W tym zastosowaniu roboty przemysłowe Kawasaki Robotics współpracują z dodatkowym wyposażeniem do przechowywania, przepompowywania oraz aplikowania substancji nakładanej. Systemy zbiorników, pomp i regulatorów stanowią integralną cześć stanowiska, którego głównym elementem jest robot Kawasaki Robotics. To robot za pomocą pistoletu (aplikatora) nanosi daną substancję na obiekt, który dodatkowo może się poruszać.
Czytaj więcej.
Opis robota:Robot RS003N jest najmniejszy z całej serii R, która została wyposażona w nowe silniki z 17-bitowymi enkoderami. Dzięki temu roboty tej serii są jeszcze szybsze i precyzyjniejsze, a nowoczesny projekt ramienia zapewnia przy tym niewielkie gabarytu i małą masę. Niewielkie wymiary, bardzo duża szybkość oraz najwyższa precyzja sprawiają, że robot RS003N świetnie sprawdza się w zastosowaniach gdzie nie potrzeba dużego udźwigu natomiast ważne są niewielkie rozmiary, np: obsługa maszyn, laboratoria, inspekcja z użyciem systemów wizyjnych, edukacja itp. |
Przestrzeń robocza![]() Pobierz obrazek w wysokiej rozdzielczości |
| RS003N | |
|---|---|
| Waga robota [kg] | 20 |
| Maksymalny udźwig [kg] | 3 |
| Maksymalny zasięg [mm] | 620 |
| Ilość stopni swobody | 6 |
| Powtarzalność [mm] | +/- 0.02 |
| Zakres ruchu [°] | |
| JT1 | +/- 160 |
| JT2 | +150~-60 |
| JT3 | +120~-150 |
| JT4 | +/- 360 |
| JT5 | +/- 135 |
| JT6 | +/- 360 |
| Prędkości [°/s] | |
| JT1 | 360 |
| JT2 | 250 |
| JT3 | 225 |
| JT4 | 540 |
| JT5 | 225 |
| JT6 | 540 |
| Montaż | |
| podłogowy | TAK |
| odwrotny | TAK |
| na ścianie | NIE |
| na półce | NIE |
| Kontroler | F60 |
Opis robota:Robot RS005L robot z serii R, która została wyposażona w nowe silniki z 17-bitowymi enkoderami. Dzięki temu roboty tej serii są jeszcze szybsze i precyzyjniejsze, a nowoczesny projekt ramienia zapewnia przy tym niewielkie gabarytu i małą masę. Jednostka cechuje się świetną relacją między udźwigiem a masą ramienia, ma przy tym imponujący zasięg. |
Przestrzeń robocza![]() Pobierz obrazek w wysokiej rozdzielczości |
| RS005L | |
|---|---|
| Waga robota [kg] | 37 |
| Maksymalny udźwig [kg] | 5 |
| Maksymalny zasięg [mm] | 903 |
| Ilość stopni swobody | 6 |
| Powtarzalność [mm] | +/- 0.03 |
| Zakres ruchu [°] | |
| JT1 | +/- 180 |
| JT2 | +135~-80 |
| JT3 | +118~-172 |
| JT4 | +/- 360 |
| JT5 | +/- 145 |
| JT6 | +/- 360 |
| Prędkości [°/s] | |
| JT1 | 300 |
| JT2 | 300 |
| JT3 | 300 |
| JT4 | 460 |
| JT5 | 460 |
| JT6 | 740 |
| Montaż | |
| podłogowy | TAK |
| odwrotny | TAK |
| na ścianie | OPCJA |
| na półce | NIE |
| Kontroler | F60 |
Opis robota:Robot RS005N robot z serii R, która została wyposażona w nowe silniki z 17-bitowymi enkoderami. Dzięki temu roboty tej serii są jeszcze szybsze i precyzyjniejsze, a nowoczesny projekt ramienia zapewnia przy tym niewielkie gabarytu i małą masę. Jednostka cechuje się świetną relacją między udźwigiem a masą ramienia. |
Przestrzeń robocza![]() Pobierz obrazek w wysokiej rozdzielczości |
| RS005N | |
|---|---|
| Waga robota [kg] | 34 |
| Maksymalny udźwig [kg] | 5 |
| Maksymalny zasięg [mm] | 705 |
| Ilość stopni swobody | 6 |
| Powtarzalność [mm] | +/- 0.02 |
| Zakres ruchu [°] | |
| JT1 | +/- 180 |
| JT2 | +135~-80 |
| JT3 | +118~-172 |
| JT4 | +/- 360 |
| JT5 | +/- 145 |
| JT6 | +/- 360 |
| Prędkości [°/s] | |
| JT1 | 360 |
| JT2 | 360 |
| JT3 | 410 |
| JT4 | 460 |
| JT5 | 460 |
| JT6 | 740 |
| Montaż | |
| podłogowy | TAK |
| odwrotny | TAK |
| na ścianie | OPCJA |
| na półce | NIE |
| Kontroler | F60 |
Opis robota:Robot RS006L z serii R, która została wyposażona w nowe silniki z 17-bitowymi enkoderami. Dzięki temu roboty tej serii są jeszcze szybsze i precyzyjniejsze. Mała podstawa i smukła sylwetka czynią z tego robota idealne rozwiązanie do stosowania w celach i ciasnych przestrzeniach hal produkcyjnych. |
Przestrzeń robocza![]() Pobierz obrazek w wysokiej rozdzielczości |
| RS006L | |
|---|---|
| Waga robota [kg] | 150 |
| Maksymalny udźwig [kg] | 6 |
| Maksymalny zasięg [mm] | 1650 |
| Ilość stopni swobody | 6 |
| Powtarzalność [mm] | +/- 0.03 |
| Zakres ruchu [°] | |
| JT1 | +/- 180 |
| JT2 | +145~-105 |
| JT3 | +150~-163 |
| JT4 | +/- 270 |
| JT5 | +/- 145 |
| JT6 | +/- 360 |
| Prędkości [°/s] | |
| JT1 | 250 |
| JT2 | 250 |
| JT3 | 215 |
| JT4 | 365 |
| JT5 | 480 |
| JT6 | 700 |
| Montaż | |
| podłogowy | TAK |
| odwrotny | TAK |
| na ścianie | OPCJA |
| na półce | NIE |
| Kontroler | F60 |
![]() |
Opis robota:Kawasaki RS007L należy do serii robotów o małym i średnim udźwigu. Dostarczany jest wraz z kontrolerem F60. |
Przestrzeń robocza![]() |
| RS007L | |
|---|---|
| Waga robota [kg] | 36 |
| Maksymalny udźwig [kg] | 7 |
| Maksymalny zasięg [mm] | 930 |
| Ilość stopni swobody | 6 |
| Powtarzalność [mm] | +/- 0.03 |
| Zakres ruchu [°] | |
| JT1 | +/- 180 |
| JT2 | +/- 135 |
| JT3 | +/- 157 |
| JT4 | +/- 200 |
| JT5 | +/- 125 |
| JT6 | +/- 360 |
| Prędkości [°/s] | |
| JT1 | 370 |
| JT2 | 310 |
| JT3 | 410 |
| JT4 | 550 |
| JT5 | 550 |
| JT6 | 1000 |
| Montaż | |
| podłogowy | TAK |
| odwrotny | TAK |
| na ścianie | OPCJA |
| na półce | NIE |
| Kontroler | F60 |
![]() |
Opis robota:Kawasaki RS007N należy do serii robotów o małym i średnim udźwigu. Dostarczany jest wraz z kontrolerem F60. |
Przestrzeń robocza![]() |
| RS007N | |
|---|---|
| Waga robota [kg] | 35 |
| Maksymalny udźwig [kg] | 7 |
| Maksymalny zasięg [mm] | 730 |
| Ilość stopni swobody | 6 |
| Powtarzalność [mm] | +/- 0.02 |
| Zakres ruchu [°] | |
| JT1 | +/- 180 |
| JT2 | +/- 135 |
| JT3 | +/- 155 |
| JT4 | +/- 200 |
| JT5 | +/- 125 |
| JT6 | +/- 360 |
| Prędkości [°/s] | |
| JT1 | 470 |
| JT2 | 380 |
| JT3 | 520 |
| JT4 | 550 |
| JT5 | 550 |
| JT6 | 1000 |
| Montaż | |
| podłogowy | TAK |
| odwrotny | TAK |
| na ścianie | OPCJA |
| na półce | NIE |
| Kontroler | F60 |
Opis robota:Robot RS010L (wersja o powięszonym zasięgu robota RS010N) z serii R, która została wyposażona w nowe silniki z 17-bitowymi enkoderami. Dzięki temu roboty tej serii są jeszcze szybsze i precyzyjniejsze. Mała podstawa i smukła sylwetka czynią z tego robota idealne rozwiązanie do stosowania w celach i ciasnych przestrzeniach hal produkcyjnych. Występuje w dwóch wersjach z różnymi kontrolerami: |
Przestrzeń robocza![]() Pobierz obrazek w wysokiej rozdzielczości |
| RS010L | |
|---|---|
| Waga robota [kg] | 230 |
| Maksymalny udźwig [kg] | 10 |
| Maksymalny zasięg [mm] | 1925 |
| Ilość stopni swobody | 6 |
| Powtarzalność [mm] | +/-0.05 |
| Zakres ruchu [°] | |
| JT1 | +/- 180 |
| JT2 | +155~-105 |
| JT3 | +150~-163 |
| JT4 | +/- 270 |
| JT5 | +/- 145 |
| JT6 | +/- 360 |
| Prędkości [°/s] | |
| JT1 | 190 |
| JT2 | 205 |
| JT3 | 210 |
| JT4 | 400 |
| JT5 | 360 |
| JT6 | 610 |
| Montaż | |
| podłogowy | TAK |
| odwrotny | TAK |
| na ścianie | OPCJA |
| na półce | NIE |
| Kontroler | E01 |
Opis robota:Robot RS010N z serii R, która została wyposażona w nowe silniki z 17-bitowymi enkoderami. Dzięki temu roboty tej serii są jeszcze szybsze i precyzyjniejsze. Mała podstawa i smukła sylwetka czynią z tego robota idealne rozwiązanie do stosowania w celach i ciasnych przestrzeniach hal produkcyjnych. |
Przestrzeń robocza![]() Pobierz obrazek w wysokiej rozdzielczości |
| RS010N | |
|---|---|
| Waga robota [kg] | 150 |
| Maksymalny udźwig [kg] | 10 |
| Maksymalny zasięg [mm] | 1450 |
| Ilość stopni swobody | 6 |
| Powtarzalność [mm] | +/-0.03 |
| Zakres ruchu [°] | |
| JT1 | +/- 180 |
| JT2 | +145~-105 |
| JT3 | +150~-163 |
| JT4 | +/- 270 |
| JT5 | +/- 145 |
| JT6 | +/- 360 |
| Prędkości [°/s] | |
| JT1 | 250 |
| JT2 | 250 |
| JT3 | 215 |
| JT4 | 365 |
| JT5 | 380 |
| JT6 | 700 |
| Montaż | |
| podłogowy | TAK |
| odwrotny | TAK |
| na ścianie | OPCJA |
| na półce | NIE |
| Kontroler | F60 |
| RS013N | |
|---|---|
| Waga robota [kg] | 170 |
| Maksymalny udźwig [kg] | 13 |
| Maksymalny zasięg [mm] | 1460 |
| Ilość stopni swobody | 6 |
| Powtarzalność [mm] | +/-0.03 |
| Zakres ruchu [°] | |
| JT1 | +/- 180 |
| JT2 | + 138 ~ - 105 |
| JT3 | +135 ~ -159 |
| JT4 | +/- 200 |
| JT5 | +/- 125 |
| JT6 | +/- 360 |
| Prędkości [°/s] | |
| JT1 | 265 |
| JT2 | 250 |
| JT3 | 265 |
| JT4 | 475 |
| JT5 | 475 |
| JT6 | 730 |
| Montaż | |
| podłogowy | TAK |
| odwrotny | TAK |
| na ścianie | NIE |
| na półce | NIE |
| Kontroler | F60 |
Opis robota:Robot RS015X z serii R, która została wyposażona w nowe silniki z 17-bitowymi enkoderami. Dzięki temu roboty tej serii są jeszcze szybsze i precyzyjniejsze. Mała podstawa i smukła sylwetka czynią z tego robota idealne rozwiązanie do stosowania w celach i ciasnych przestrzeniach hal produkcyjnych. |
Przestrzeń robocza![]() Pobierz obrazek w wysokiej rozdzielczości |
| RS015X | |
|---|---|
| Waga robota [kg] | 545 |
| Maksymalny udźwig [kg] | 15 |
| Maksymalny zasięg [mm] | 3150 |
| Ilość stopni swobody | 6 |
| Powtarzalność [mm] | +/- 0.06 |
| Zakres ruchu [°] | |
| JT1 | +/- 180 |
| JT2 | +140 ~ -105 |
| JT3 | +135 ~ -155 |
| JT4 | +/- 360 |
| JT5 | +/- 145 |
| JT6 | +/- 360 |
| Prędkości [°/s] | |
| JT1 | 180 |
| JT2 | 180 |
| JT3 | 200 |
| JT4 | 410 |
| JT5 | 360 |
| JT6 | 610 |
| Montaż | |
| podłogowy | TAK |
| odwrotny | TAK |
| na ścianie | OPCJA |
| na półce | NIE |
| Kontroler | E02 |
Opis robota:Robot RS20N z kontrolerem E01 to pierwszy przedstawiciel nowej rodziny robotów Kawasaki – serii R. |
Przestrzeń robocza![]() Pobierz obrazek w wysokiej rozdzielczości |
| RS020N | |
|---|---|
| Waga robota [kg] | 230 |
| Maksymalny udźwig [kg] | 20 |
| Maksymalny zasięg [mm] | 1725 |
| Ilość stopni swobody | 6 |
| Powtarzalność [mm] | +/-0.04 |
| Zakres ruchu [°] | |
| JT1 | +/- 180 |
| JT2 | +155~-105 |
| JT3 | +150~-163 |
| JT4 | +/- 270 |
| JT5 | +/- 145 |
| JT6 | +/- 360 |
| Prędkości [°/s] | |
| JT1 | 190 |
| JT2 | 205 |
| JT3 | 210 |
| JT4 | 400 |
| JT5 | 360 |
| JT6 | 610 |
| Montaż | |
| podłogowy | TAK |
| odwrotny | TAK |
| na ścianie | OPCJA |
| na półce | NIE |
| Kontroler | E01 |
Opis robota:Robot RS030N z serii R, która została wyposażona w nowe silniki z 17-bitowymi enkoderami. Dzięki temu roboty tej serii są jeszcze szybsze i precyzyjniejsze. Mała podstawa i smukła sylwetka czynią z tego robota idealne rozwiązanie do stosowania w celach i ciasnych przestrzeniach hal produkcyjnych. |
Przestrzeń robocza![]() Pobierz obrazek w wysokiej rozdzielczości |
| RS030N | |
|---|---|
| Waga robota [kg] | 555 |
| Maksymalny udźwig [kg] | 30 |
| Maksymalny zasięg [mm] | 2100 |
| Ilość stopni swobody | 6 |
| Powtarzalność [mm] | +/-0.06 |
| Zakres ruchu [°] | |
| JT1 | +/- 180 |
| JT2 | +140~-105 |
| JT3 | +135~-155 |
| JT4 | +/- 360 |
| JT5 | +/- 145 |
| JT6 | +/- 360 |
| Prędkości [°/s] | |
| JT1 | 180 |
| JT2 | 180 |
| JT3 | 185 |
| JT4 | 260 |
| JT5 | 260 |
| JT6 | 360 |
| Montaż | |
| podłogowy | TAK |
| odwrotny | TAK |
| na ścianie | OPCJA |
| na półce | NIE |
| Kontroler | E02 |
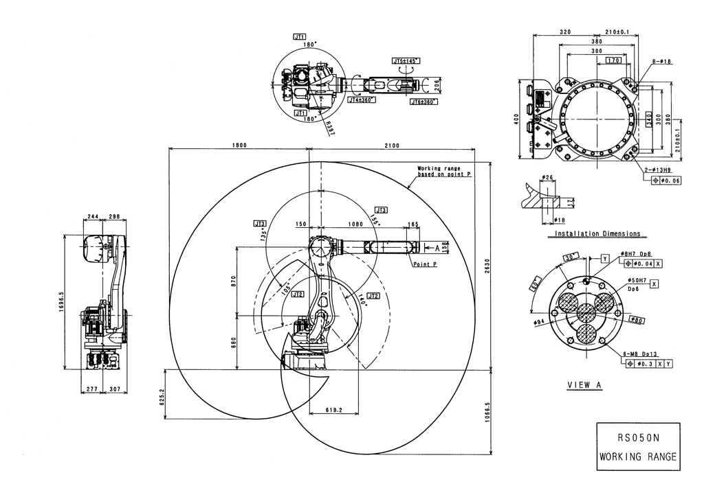
Opis robota:Robot RS050N z serii R, która została wyposażona w nowe silniki z 17-bitowymi enkoderami. Dzięki temu roboty tej serii są jeszcze szybsze i precyzyjniejsze. Mała podstawa i smukła sylwetka czynią z tego robota idealne rozwiązanie do stosowania w celach i ciasnych przestrzeniach hal produkcyjnych. |
Przestrzeń robocza![]() Pobierz obrazek w wysokiej rozdzielczości |
| RS050N | |
|---|---|
| Waga robota [kg] | 555 |
| Maksymalny udźwig [kg] | 50 |
| Maksymalny zasięg [mm] | 2100 |
| Ilość stopni swobody | 6 |
| Powtarzalność [mm] | +/-0.06 |
| Zakres ruchu [°] | |
| JT1 | +/- 180 |
| JT2 | +140~-105 |
| JT3 | +135~-155 |
| JT4 | +/- 360 |
| JT5 | +/- 145 |
| JT6 | +/- 360 |
| Prędkości [°/s] | |
| JT1 | 180 |
| JT2 | 180 |
| JT3 | 185 |
| JT4 | 260 |
| JT5 | 260 |
| JT6 | 360 |
| Montaż | |
| podłogowy | TAK |
| odwrotny | TAK |
| na ścianie | OPCJA |
| na półce | NIE |
| Kontroler | E02 |
Opis robota:Robot RS080N to największa jednostka z serii R, która została wyposażona w nowe silniki z 17-bitowymi enkoderami. Dzięki temu roboty tej serii są jeszcze szybsze i precyzyjniejsze. Mała podstawa i smukła sylwetka czynią z tego robota idealne rozwiązanie do stosowania w celach i ciasnych przestrzeniach hal produkcyjnych, a udźwig 80 kg umożliwia przenoszenie ciężkich przedmiotów. |
Przestrzeń robocza![]() Pobierz obrazek w wysokiej rozdzielczości |
| RS080N | |
|---|---|
| Waga robota [kg] | 555 |
| Maksymalny udźwig [kg] | 80 |
| Maksymalny zasięg [mm] | 2100 |
| Ilość stopni swobody | 6 |
| Powtarzalność [mm] | +/-0.06 |
| Zakres ruchu [°] | |
| JT1 | +/- 180 |
| JT2 | +140~-105 |
| JT3 | +135~-155 |
| JT4 | +/- 360 |
| JT5 | +/- 145 |
| JT6 | +/- 360 |
| Prędkości [°/s] | |
| JT1 | 180 |
| JT2 | 180 |
| JT3 | 160 |
| JT4 | 185 |
| JT5 | 165 |
| JT6 | 280 |
| Montaż | |
| podłogowy | TAK |
| odwrotny | TAK |
| na ścianie | OPCJA |
| na półce | NIE |
| Kontroler | E02 |
Zostaw wiadomość lub zadaj pytanie – odpowiemy niezwłocznie.
Napisz do nas - odpowiemy w ciągu 24h
Potrzebujesz pomocy? Skontaktuj się z nami. Odpowiemy na wszystkie Twoje pytania.
Szkolenie z zaawansowanych metod programowania robotów Kawasaki
Szkolenie ze zrobotyzowanych systemów spawalniczych Kawasaki - konfiguracja i programowanie
Szkolenie rozszerzone z serwisowania robotów przemysłowych Kawasaki dla Służb Utrzymania Ruchu
WIŚNIOWSKI - cyfrowa indywidualizacja w fabryce przyszłości
Uniwersytet Zielonogórski - edukacyjna zrobotyzowana linia produkcyjna
ZST Leżajsk - nowoczesna pracownia dla młodych robotyków
Firma ASTOR od 30 lat wspiera podnoszenie efektywności procesów w przemyśle, produkcji oraz infrastrukturze dostarczając komponenty automatyki przemysłowej, robotyki, systemy IT oraz wiedzę biznesową i techniczną. Kierunek wspierania rozwoju i transformacji naszych Klientów wyznacza Przemysł 4.0. W naszym portfolio znajdują się systemy sterowania Emerson Industrial Automation&Control (dawniej GE Intelligent Platforms, GE Fanuc), Horner APG oraz Astraada One, oprogramowanie przemysłowe AVEVA (dawniej Wonderware), roboty przemysłowe Kawasaki i Epson, produkty do bezprzewodowej transmisji danych SATEL Oy i Astraada, a także falowniki, panele HMI i urządzenia sieciowe Astraada. Oferujemy usługi doradcze w ramach ASTOR Consulting i szkolenia w ramach Akademii ASTOR.
ASTOR Centrala
ul. Smoleńsk 29, 31-112 Kraków
12 428 63 00
PL
EN