
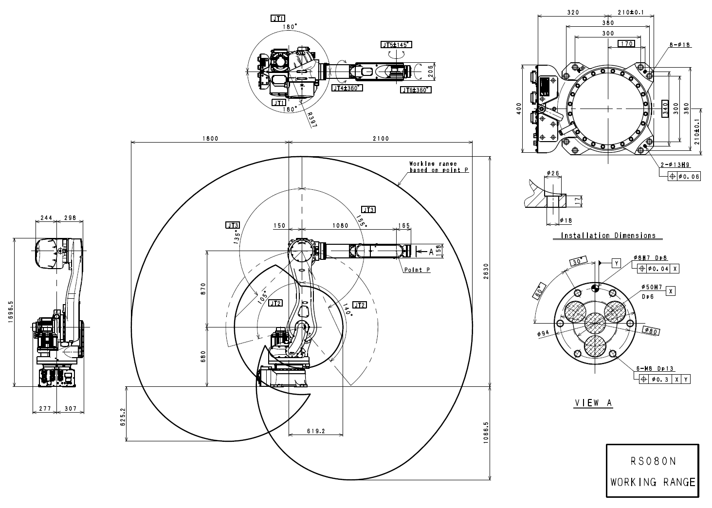
Robot do różnych zastosowań Kawasaki Robotics RS080N o zasięgu 2100 mm i udźwigu 80 kg ze wsparciem technicznym.
Robot Kawasaki Robotics RS080N to największa jednostka z serii R, która została wyposażona w nowe silniki z 17-bitowymi enkoderami. Dzięki temu roboty tej serii są jeszcze szybsze i precyzyjniejsze. Mała podstawa i smukła sylwetka czynią z tego robota idealne rozwiązanie do stosowania w celach i ciasnych przestrzeniach hal produkcyjnych, a udźwig 80 kg umożliwia przenoszenie ciężkich przedmiotów
Robot Kawasaki Robotics RS080N dedykowany jest do takich zastosowań jak obsługa maszyn, paletyzacja, pakowanie oraz klejenie i dystrybucja.
Specyfikacja techniczna robota Kawasaki Robotics RS080N :
| Waga robota [kg] | |
| Maksymalny udźwig [kg] | |
| Maksymalny zasięg [mm] | |
| Ilość stopni swobody | |
| Powtarzalność [mm] | |
| Zakres ruchu [°] | |
| JT1 | |
| JT2 | |
| JT3 | |
| JT4 | |
| JT5 | |
| JT6 | |
| Prędkości [°/s] | |
| JT1 | |
| JT2 | |
| JT3 | |
| JT4 | |
| JT5 | |
| JT6 | |
| Montaż | |
| podłogowy | |
| odwrotny | |
| na ścianie | |
| na półce | |
| Kontroler | |
Potrzebujesz pomocy? Skontaktuj się z nami. Z przyjemnością odpowiemy na wszystkie Twoje pytania.
Skontaktujemy się z Tobą w ciągu 24 godzin.
Przeczytaj pełny opis dot. funkcjonalności, komunikacji, rozbudowy
Zobacz referencje i proponowane szkolenia

