
Robot paletyzujący Kawasaki Robotics CP300L o zasięgu 3255 mm i udźwigu 300 kg ze wsparciem technicznym.
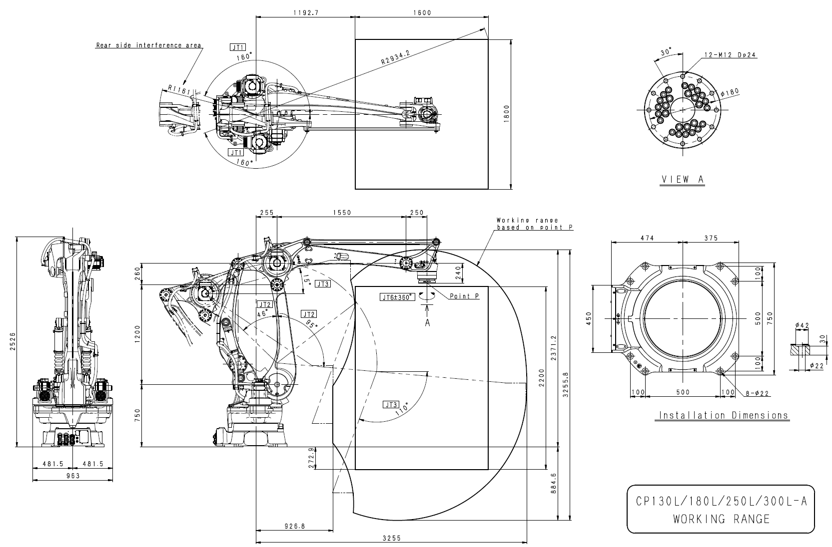
Robot CP300L to nowy robot serii CP przeznaczony do paletyzacji. Jego konstrukcja zapewnia duży zasięg, dzięki czemu może on bezkolizyjnie układać towary na wysokich stosach palet. Duża wydajność (do 1700 cykli/h) pozwala mu przenieść ponad 420 ton w ciągu godziny.
Wysoki zasięg pionowy robotów paletyzujących jest idealny do tworzenia stosów palet i do zastosowań wielościeżkowych, w których robot musi sięgać po przychodzących i wychodzących liniach produkcyjnych. Szczególnie duży zasięg poziomy umożliwia zastosowanie robota Kawasaki w aplikacjach wymagających pięciu lub więcej linii palet wychodzących.
Wysoka ładowność umożliwia wielokrotne pobieranie produktów i przenoszenie całych warstw palet, co prowadzi do zmniejszenia czasu potrzebnego na załadowanie palety.
Specyfikacja techniczna robota Kawasaki Robotics CP300L:
| Waga robota [kg] | |
| Maksymalny udźwig [kg] | |
| Maksymalny zasięg [mm] | |
| Ilość stopni swobody | |
| Powtarzalność [mm] | |
| Zakres ruchu [°] | |
| JT1 | |
| JT2 | |
| JT3 | |
| JT4 | |
| Prędkości [°/s] | |
| JT1 | |
| JT2 | |
| JT3 | |
| JT4 | |
| Montaż | |
| podłogowy | |
| odwrotny | |
| na ścianie | |
| na półce | |
| Kontroler | |
Potrzebujesz pomocy? Skontaktuj się z nami. Z przyjemnością odpowiemy na wszystkie Twoje pytania.
Skontaktujemy się z Tobą w ciągu 24 godzin.
Przeczytaj pełny opis dot. funkcjonalności, komunikacji, rozbudowy
Zobacz referencje i proponowane szkolenia

