
Robot spawalniczy Kawasaki Robotics RA006L o zasięgu 1650 mm i udźwigu 6 kg ze wsparciem technicznym.
Robot Kawasaki Robotics RA006L to przedstawiciel serii RA dedykowanej do spawania. Charakteryzuje się wysoką powtarzalnością i precyzją, zwiększaną dodatkowo dzięki systemowi sterowania bazującemu na 17-bitowych enkoderach. Energooszczędne i wydajne sterowanie zapewnia kontroler serii E.
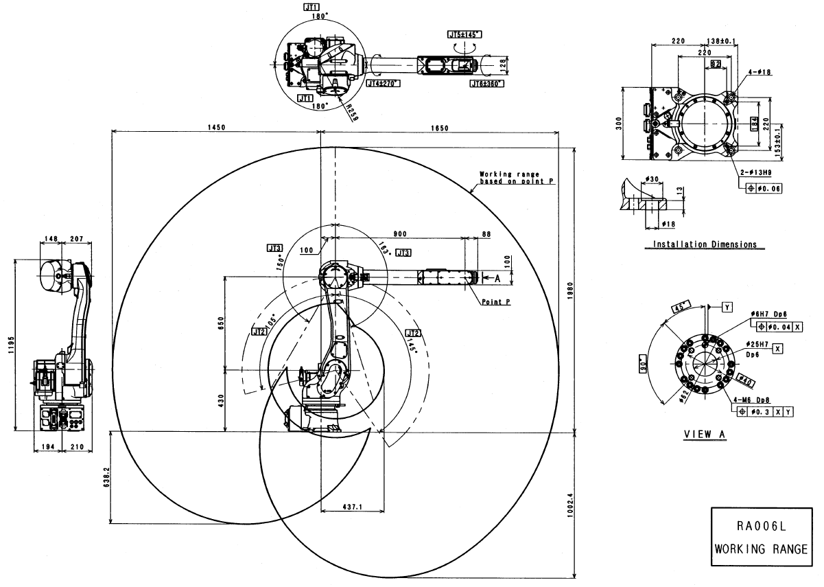
Robot Kawasaki Robotics RA006L to robot przystosowany do pracy w aplikacjach spawalniczych lub przy technologiach pochodnych (cięcie, fazowanie, wycinanie, wypalanie).
Smukła konstrukcja, niezawodność oraz prosta obsługa czynią go idealnym i skutecznym robotem spawalniczym. Dzięki zastosowaniu specjalnego oprogramowania, tworzenie programów do aplikacji spawania jest proste i intuicyjne.
Specyfikacja techniczna robota Kawasaki Robotics RA006L:
| Waga robota [kg] | |
| Maksymalny udźwig [kg] | |
| Maksymalny zasięg [mm] | |
| Ilość stopni swobody | |
| Powtarzalność [mm] | |
| Zakres ruchu [°] | |
| JT1 | |
| JT2 | |
| JT3 | |
| JT4 | |
| JT5 | |
| JT6 | |
| Prędkości [°/s] | |
| JT1 | |
| JT2 | |
| JT3 | |
| JT4 | |
| JT5 | |
| JT6 | |
| Montaż | |
| podłogowy | |
| odwrotny | |
| na ścianie | |
| na półce | |
| Kontroler | |
| Stopień Ochrony IP | |
Potrzebujesz pomocy? Skontaktuj się z nami. Z przyjemnością odpowiemy na wszystkie Twoje pytania.
Skontaktujemy się z Tobą w ciągu 24 godzin.
Przeczytaj pełny opis dot. funkcjonalności, komunikacji, rozbudowy
Zobacz referencje i proponowane szkolenia

