
Produkt używany, w pełni sprawny, objęty 6-miesięczną gwarancją.
Rok produkcji: 2021
Numer seryjny: A04501/C08853
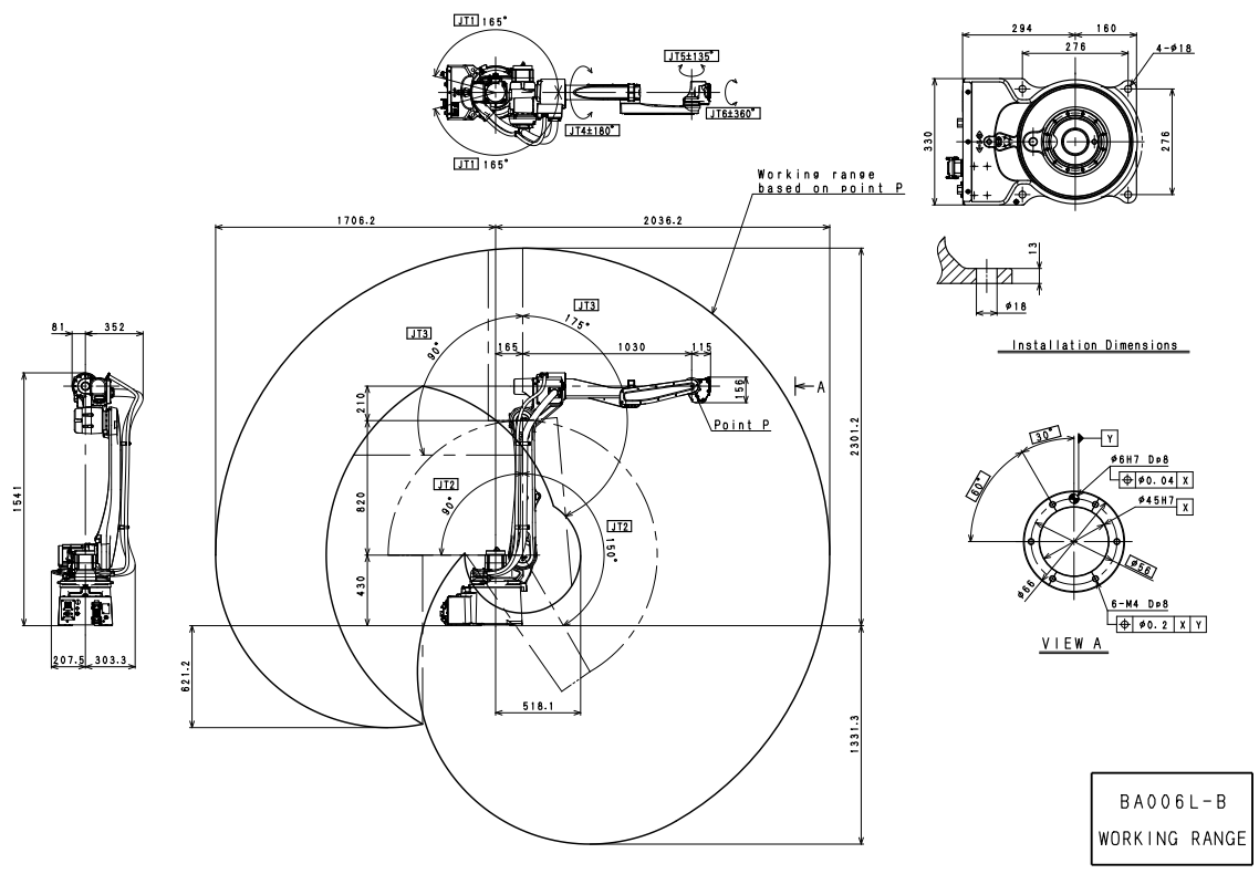
Robot spawalniczy Kawasaki Robotics BA006L o zasięgu 2036 mm i udźwigu 6 kg ze wsparciem technicznym.
Robot spawalniczy Kawasaki Robotics BA006L posiada dłuższe ramię niż robot Kawasaki Robotics BA006N nie tracąc przy tym na właściwości technicznych. Pomimo przedłużonego ramienia robota cała konstrukcja pozwala wykonać spawanie w ciasnych przestrzeniach lub spawanie bardzo skomplikowanych kształtów. Smukłe ramię, przelotowy nadgarstek (hollow wrist) oraz zintegrowane przewody poprowadzone wewnątrz ramienia robota sprawiają, że może spawać każdy kształt i położyć precyzyjnie każdą spoinę.
Roboty Kawasaki Robotics serii BA przystosowane są do pracy w aplikacjach spawalniczych oraz przy technologiach pochodnych (cięcie, fazowanie, wycinanie, wypalanie).
Specyfikacja techniczna robota Kawasaki Robotics BA006L:
| Waga robota [kg] | |
| Maksymalny udźwig [kg] | |
| Maksymalny zasięg [mm] | |
| Ilość stopni swobody | |
| Powtarzalność [mm] | |
| Zakres ruchu [°] | |
| JT1 | |
| JT2 | |
| JT3 | |
| JT4 | |
| JT5 | |
| JT6 | |
| Prędkości [°/s] | |
| JT1 | |
| JT2 | |
| JT3 | |
| JT4 | |
| JT5 | |
| JT6 | |
| Montaż | |
| podłogowy | |
| odwrotny | |
| na ścianie | |
| na półce | |
| Kontroler | |
| Stopień Ochrony IP | |
Potrzebujesz pomocy? Skontaktuj się z nami. Z przyjemnością odpowiemy na wszystkie Twoje pytania.
Skontaktujemy się z Tobą w ciągu 24 godzin.
Przeczytaj pełny opis dot. funkcjonalności, komunikacji, rozbudowy
Zobacz referencje i proponowane szkolenia

